TGA-915-8554 UHF RFID LED Etiketi
TGA-915-8554, ışık yayan (LED) özelliklere sahip pil içermeyen bir RFID elektronik etiketidir. Ultra yüksek frekanslı ISO18000-6C protokolüne dayalı özel bir çip kullanır ve LED devre tasarımıyla birleştirilmiştir. PVC malzemeden yapılmış ve yüksek yoğunluklu kompozit teknolojisiyle işlenmiş olup, nemli ortamlar, yüksek sıcaklık ve aşınmaya dayanıklılık gibi karmaşık çevre koşullarında uygulama gereksinimlerini karşılar.
- Genel Bakış
- Teknik Özellikler
- Tipik Uygulamalar
- Önerilen Ürünler
Genel Bakış
Bu etiket, bir LED ekran ışığı ile donatılmıştır. Etiketin konumunun belirlenmesi gerektiğinde, yalnızca etiketin EPC numarasını seçmeniz yeterlidir; bu durumda etiket üzerindeki LED ışık yanıp söner ve kullanıcıların yönetilen ürünleri daha hızlı ve sezgisel bir şekilde bulmalarını sağlar; böylece "ürünlerin insanları bulması" şeklinde hızlı işlem gerçekleştirilir. Aynı zamanda pil gerektirmeyen aydınlatmalı etiketler, uzun süreli kullanım için pil değiştirme ihtiyacını ortadan kaldırır ve kullanıcıların tek seferde yaptığı yatırımın uzun vadeli mali avantajını tam olarak karşılar.
RFID ışık yayan elektronik etiketlerin montaj yöntemi esnektir. Okuyucu cihazlarla birlikte kullanıldığında tanımlama işlemi basit ve uygundur; bu da envanter kontrolü, hızlı ürün araması ve diğer varlık yönetimi işlemlerini çok daha kolay hale getirir.
Teknik Özellikler
| Fonksiyonel parametreler | |
| Model | TGA-915-8554 |
| Ürün adı | Ultra yüksek frekanslı parlak sert kart etiketi |
| Frekans aralığı | 860 MHz~960 MHz |
| Çip kapasitesi | EPC 512 bit |
| Okuma mesafesi | 3 metreden fazla (okuma mesafesi farklı cihaz senaryolarına göre değişir) * Metal yüzeyler için uygun değildir |
| Çip | KX2005XB-L/T |
| Okuma-yazma protokolü | ISO18000-6C |
| Veri koruma | On yılın üzerinde |
| Fonksiyon | EPC’yi bir kez başlatma (Yazma) |
| Fiziksel parametreler | |
| Ürün Ağırlığı | |
| Ürün Malzemeleri | Şeffaf PVC+PET (alüminyum kazıma) |
| Renk | beyaz |
| Boyut | 85,5 × 54 × 0,88 mm |
| Kurulum Yöntemi | |
| Çalışma Sıcaklığı | -10 °C ~ +75 °C |
| Diğer parametreler | |
| Baskı Özelleştirmesi | LOGO basımı, renkli desen ve metin basımı |
| Boyut özelleştirme | Farklı iş senaryolarına göre özel teknik özellikler ve boyutlar |
| Diğer kişiselleştirilmiş özelleştirmeler | Yüzey, barkodlar veya QR kodları ile basılır ve EPC kodu aynı zamanda etiket üzerine yazılır |
| Uygulama alanı | Üretim parçaları ve bileşenlerinin depolanması, depo lojistiği, varlık ve arşiv yönetimi, fiziksel kanıt yönetimi, denetim yönetimi ile ilaçlar/sağlık hizmetleri alanındaki ayrıntılı yönetim gibi alanlar |
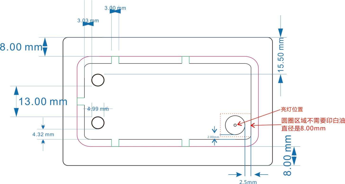
Boyut:

Tipik Uygulamalar
Üretim parçaları ve bileşenleri için depo
Depolama ve Lojistik
Varlık, arşiv ve fiziksel kanıt yönetimi
İlaçlar ve sağlık hizmetleri alanında ayrıntılı yönetim
Denetim yönetimi