- Обзор
- Характеристики
- Рекомендуемые товары
Обзор
◆ Круговая поляризация антенны для UHF RFID-считывателя
◆ Микрополосковая керамическая антенна с правой круговой поляризацией (RHCP)
◆ Компактный элемент антенны
◆ Небольшой вес и компактные габариты
◆ Минимальное взаимодействие с платформой
◆ Незначительное расстройство при размещении вблизи пользователя
◆ Простота интеграции и сокращение времени разработки
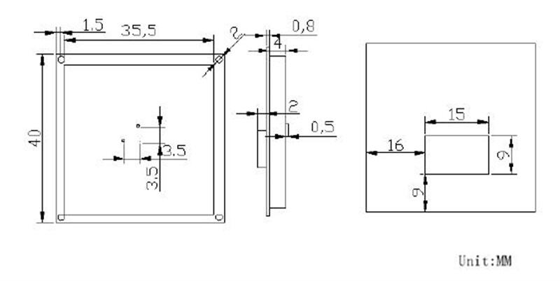
Размеры


Диаграмма излучения


Характеристики
| NO | Мин | Тип | Макс | Единица | |
| 1 | Номер детали | T35404W | Каждый | ||
| 2 | ТИП | Микрополосковая керамическая антенна | |||
| 3 | Частота работы | 922,5 МГц ± 8 МГц | МГц | ||
| 4 | Поляризация | РРЦП | |||
| 5 | Пиковое усиление | 1.5 | дБиc | ||
| 6 | Угол излучения | >16.0 | МГц | ||
| 7 | КСВН | 1.5:1 | МГц | ||
| 8 | Аксиальное соотношение | <2.0 | ДБ | ||