TAG-915M8030 UHF RFID Takı Etiketi
Yapısı kompakt, hafif ve estetik görünümdedir.
Kullanıcıların özelleştirilmiş ihtiyaçlarını karşılamak için büyük kapasiteli çip depolama alanı.
Toplu grup okuma işlemi kolay ve hızlıdır.
- Genel Bakış
- Çevre gereksinimi
- Ürün Yapısı
- Ürün ambalajı ve listesi
- Önerilen Ürünler
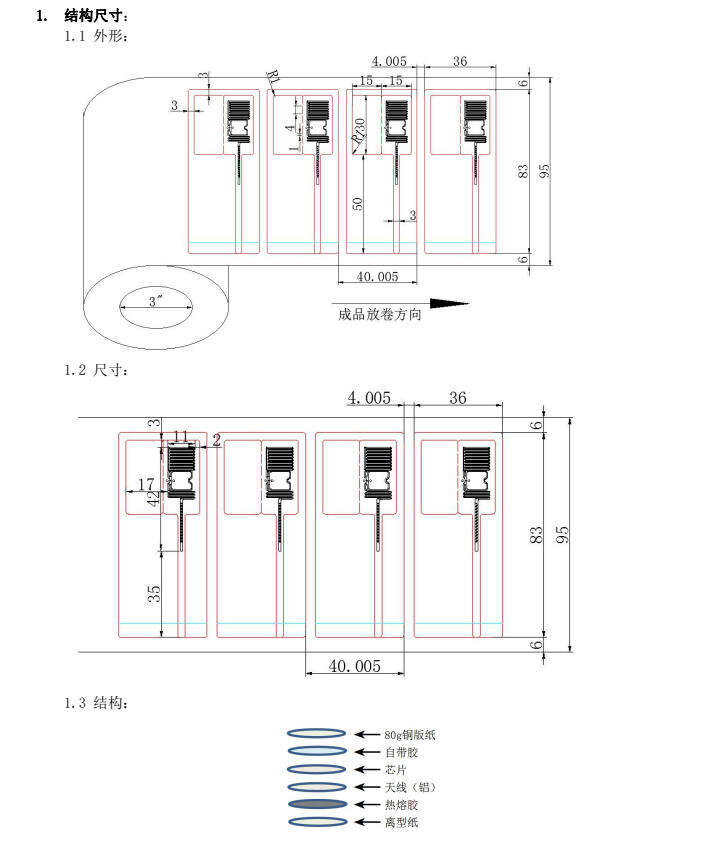
Genel Bakış
| Ürün | Parametreler mm |
| İç yapı uzunluğu | 11±0.20 |
| İç yapı genişliği | 42±0.20 |
| İç yapının sağ kenarı ile etiketin sağ kenarı arasındaki mesafe | 2±1.0 |
| İç yapının sol kenarı ile etiketin sol kenarı arasındaki mesafe | 17±1.0 |
| Etiketin uzunluğu | 30±0.5 |
| Etiket genişliği | 80±0.5 |
| Etiket köşe yarıçapı | R=1±0,50 |
| Etiket Kenarı ile Astar Kenarı Arasındaki Mesafe (Üst) | 6±1.0 |
| Etiket Kenarı ile Astar Kenarı Arasındaki Mesafe (Alt) | 6±1.0 |
| Etiket Adımı | 40.005±0.5 |
| Etiket Aralığı | 4.005±0.5 |
| Astar Genişliği | 80±1.00 |
| Çekirdek ID | 3 inç (76,20 ± 0,50) |
| Rulo Dış Çapı | ≤201 |
| İç Yerleştirme Üstü ile Etiket Üstü Arasındaki Mesafe | 3±1.0 |
| İç Yerleştirme Kenarı ile Etiket Kenarı Arasındaki Mesafe (Alt) | 35±1.0 |
| Anten Uzunluğu | 11±0.20 |
| Anten Genişliği | 42±0.20 |
Çevre gereksinimi
Etiketleme sıcaklığı/nem oranı: [10 °C – 40 °C] %20 – %80
Nem etiketlemesi sonrası sıcaklık/nem: [-20°C ila +50°C] %20 ila %80 RH (etiketlenecek malzemeye göre değişir).
Nihai ürünün raf ömrü: 23±5°C sıcaklık ve %50±10 bağıl nem koşullarında, antistatik torbalarda kapalı tutulduğunda bir yıl saklanabilir.
Uyarı: Yukarıdaki çevresel gereksinimlerle ilgili öneriler, şirketimizin en güncel bilgisi ve mevcut deneyimine dayanmaktadır. Ürünle ilgili yorum ve yorumlama hakkını şirketimiz kendisinde saklı tutar.
Ürün Yapısı

Ürün ambalajı ve listesi
| Nakliye Yöntemleri: |
1. Rulo formu 2. Vakum ambalajı |
| Sarma miktarı: | rulo başına 2500±2 adet |
| Paketleme yöntemi: | kutu başına 8 rulo (aslına göre değişebilir); |
| Ambalaj resmi: | ![]() |
| Özel talep: | Kutu, herhangi bir aralık bırakmadan tamamen mühürlenmelidir |
